Published:2011/6/19 21:31:00 Author:qqtang | Keyword: clock mixer | From:SeekIC

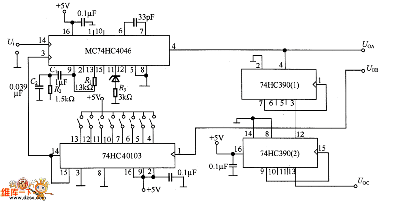
In the figure is the 1~20MHz clock mixer circuit which can generate precise clock signals. UoA outputs the 1~20MHz signal whose resolution ratio is 100KHz, but UoB and UoC output signals whose frequency is 1/10 of the former. If the input signal Ui is 10KHz, which is got by splitting the crystal circuit, then the precision is the same as the crystal oscillator.
Reprinted Url Of This Article:
http://www.seekic.com/circuit_diagram/Signal_Processing/The_1~20MHz_clock_mixer_circuit.html
Print this Page | Comments | Reading(3)
Code: