Published:2011/6/24 3:14:00 Author:Seven | Keyword: 1200Hz~100kHz, clock signal source | From:SeekIC


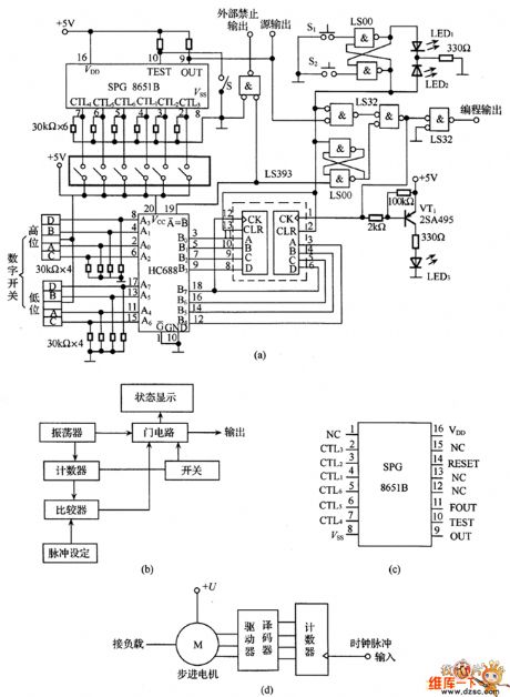
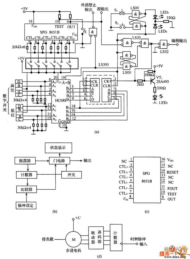
In figure 6-39 is the 1200Hz~100kHz clock signal source circuit, of which figure (b) is the circuit frame circuit, see from the frame circuit, we know that the counter counts the output pulse of the oscillator, and then the pulse is compared with the digital switch set value by the comparator, if the pulse reaches the set value, the gate circuit will be closed and the pulse is prevented from inputting. Figure (a) is the clock signal source circuit, in the circuit, the oscillator is the standard clock pulse generator SPG8651B, in the chip is the crystal oscillator circuit, the pin arrangement is shown in figure (c).
Reprinted Url Of This Article:
http://www.seekic.com/circuit_diagram/Signal_Processing/The_1200Hz~100kHz_clock_signal_source_circuit.html
Print this Page | Comments | Reading(3)
Code: