© 2008-2012 SeekIC.com Corp.All Rights Reserved.
Published:2011/7/22 5:39:00 Author:qqtang | Keyword: phase sequence controller, 3-phase | From:SeekIC

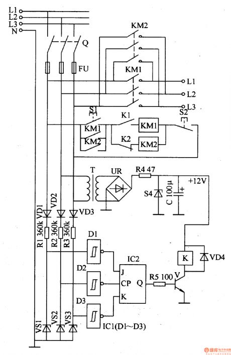
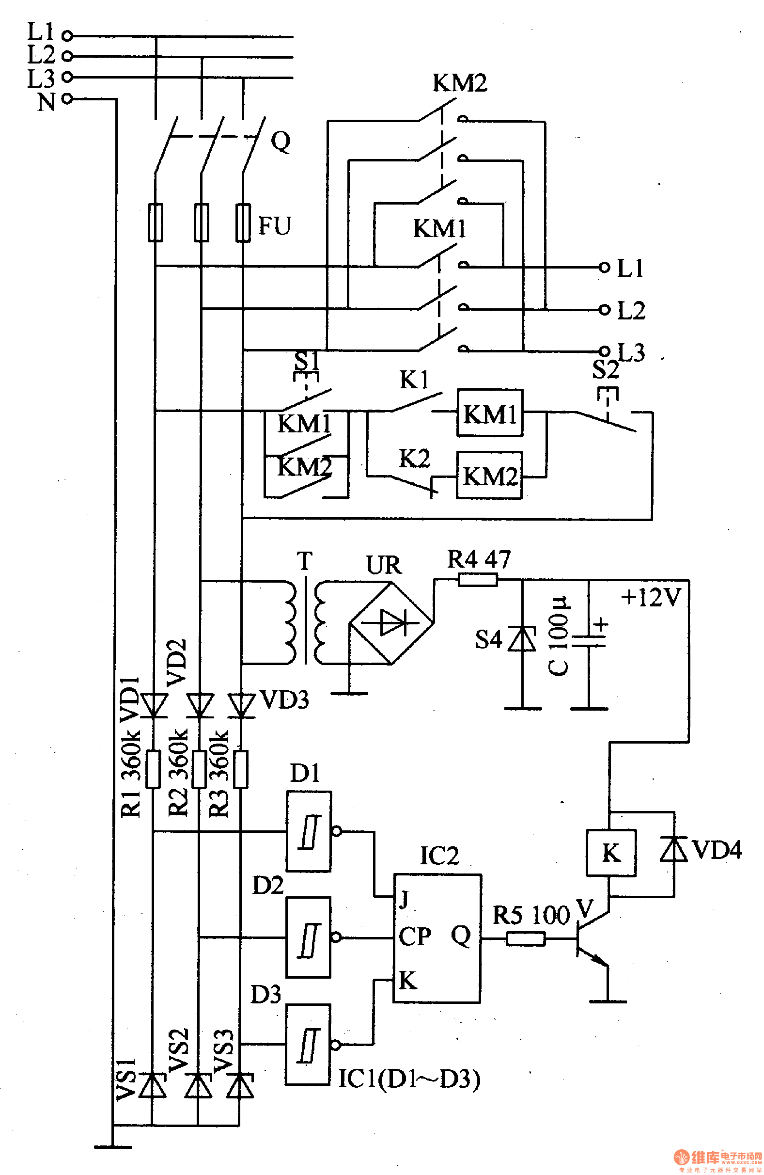
The working principle of the circuitThe working principle of the circuit consists of the the power supply circuit, phase sequence detecting circuit and control circuit, see as figure 8-152.
The power supply circuit consists of the transformer T, rectifier bridge pile UR, resistor R4, regulated diode VS4 and filter capacitor C.The phase sequence detecting circuit consists of the rectifier diode VD1-VD3, current limit resistor R1-R3, regulated diode VS1-VS3 and D1-D3 in IC1 of the NOR gate Schmidt trigger integrated circuit.
Reprinted Url Of This Article:
http://www.seekic.com/circuit_diagram/Signal_Processing/The_3_phase_AC_constant_phase_sequence_controller.html
Print this Page | Comments | Reading(3)
Response in 12 hours
© 2008-2012 SeekIC.com Corp.All Rights Reserved.
Code: