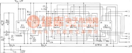
Published:2011/6/21 9:49:00 Author:Borg | Keyword: 3-phase, signal generator | From:SeekIC

Reprinted Url Of This Article:
http://www.seekic.com/circuit_diagram/Signal_Processing/The_3_phase_signal_generator.html
Print this Page | Comments | Reading(3)
Code: