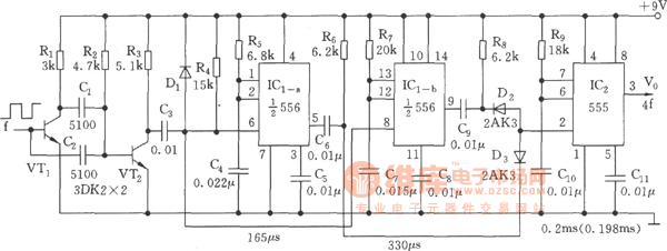
Published:2011/6/17 6:57:00 Author:Borg | Keyword: frequency, multiply circuit | From:SeekIC

Reprinted Url Of This Article:
http://www.seekic.com/circuit_diagram/Signal_Processing/The_4_time_frequency_multiply_circuit_555.html
Print this Page | Comments | Reading(3)
Code: