Published:2011/6/23 21:21:00 Author:Seven | Keyword: sawtooth wave, generator | From:SeekIC

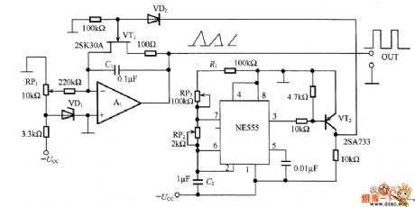
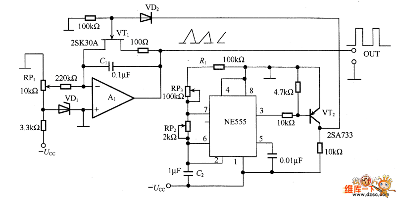
Sawtooth waves can be used as the scanning signal, which are often acquired by capacitor discharging. This circuit maximizes the output voltage and frequency change by changing the reset timing of the integral circuit. In the circuit, A1 is the integrator, when the power is on, A1 is starting to integrating with the set current, when the current reaches the VT1 threshold, VT1 is conducting, the electricity of C1 is released by VT1, after the reset signal is cancelled, the charge is started again, NE555 will output the reset pulse in T=0.693C2(R1+RP2+RP3).
Reprinted Url Of This Article:
http://www.seekic.com/circuit_diagram/Signal_Processing/The_NE555_sawtooth_wave_generator_circuit.html
Print this Page | Comments | Reading(3)
Code: