Published:2011/6/22 2:09:00 Author:Borg | Keyword: NTSC, signal generator | From:SeekIC


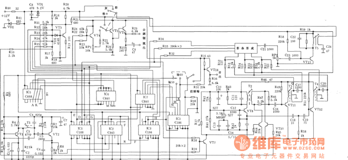
NTSC system signal generator is used in detecting and repairing multi-system color TV, satellite TV receiver, disc player, recorder, transistor and CD-G. The text is to introduce a practical, new, simple and cheap N system signal generator, whose field frequencies of 50Hz and 60Hz are changeable, apart from N system color stripes, octal stepped grey and grid, it can also generate a 50 travelling and 625 field checker grid. As the travel and field reference frequency is got by digital circuit frequency splitting, so the signal is stable and reliable, which can be the qualitative analysis detector.
Reprinted Url Of This Article:
http://www.seekic.com/circuit_diagram/Signal_Processing/The_NTSC_system_signal_generator.html
Print this Page | Comments | Reading(3)
Code: