Published:2011/6/26 21:13:00 Author:Borg | Keyword: basic, wireless, emitter circuit | From:SeekIC

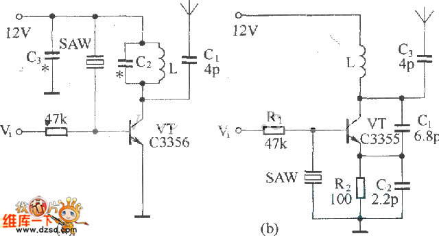
Figure: The basic wireless emitter circuit composed of SAW oscillators (a) is the transistor ultra-frequency wireless emitting basic circuit, of which SAW is connected on the basic pole of the triode VT as the forward feedback and it is in parallel connection with LC net. (b) is another transistor ultra-frequency wireless emitting basic circuit composed of the SAW oscillator, in which the SAW is fixed between the basic pole and emitting pole of the transistor, and the phase relationship between them is 180o, which satisfy the phase requirement of oscillating.
Reprinted Url Of This Article:
http://www.seekic.com/circuit_diagram/Signal_Processing/The_basic_wireless_emitter_circuit_composed_of_SAW_oscillators.html
Print this Page | Comments | Reading(3)
Code: