Published:2011/7/22 5:31:00 Author:qqtang | Keyword: electric cleaner | From:SeekIC

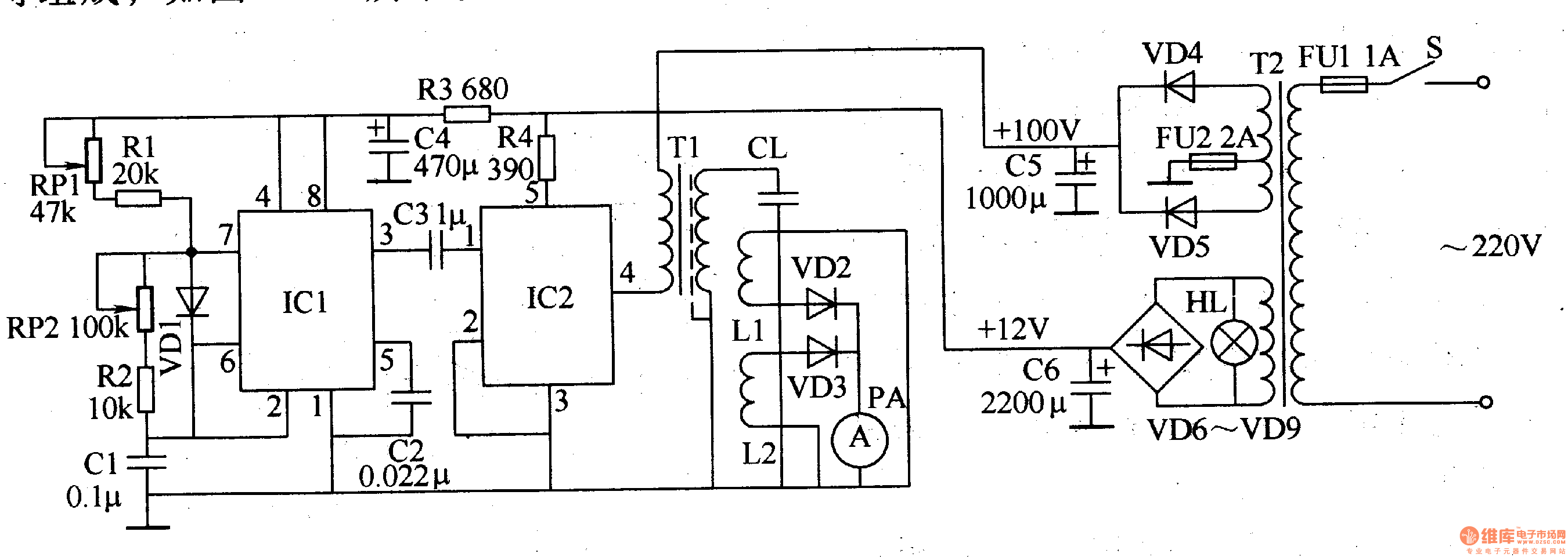
The boiler electric cleaner of the example is to process the water with high frequency electric field, so the physical characters of the minerals in the water are changed, so the dirt is removed or avoided. The working principle of the circuitThe boiler electric cleaner circuit consists of the power supply circuit, 200khz rectangular wave oscillator, drive amplifier circuit and output indicating circuit and so on, see as figure 8-153.
The power supply circuit consists of the transformer TV, rectifier diode VD4-VD9, filter capacitors of C5 and C6, etc.
Reprinted Url Of This Article:
http://www.seekic.com/circuit_diagram/Signal_Processing/The_boiler_electric_cleaner.html
Print this Page | Comments | Reading(3)
Code: