Published:2011/6/29 20:54:00 Author:Seven | Keyword: carbon monoxide, sensor | From:SeekIC

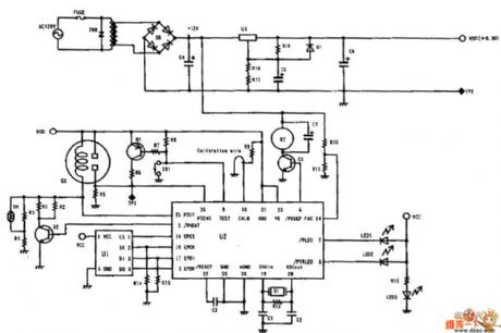
The carbon monoxide sensor circuit is shown as above.
Reprinted Url Of This Article:
http://www.seekic.com/circuit_diagram/Signal_Processing/The_carbon_monoxide_sensor_circuit.html
Print this Page | Comments | Reading(3)
Code: