Published:2011/8/3 22:29:00 Author:qqtang | Keyword: spark timer | From:SeekIC

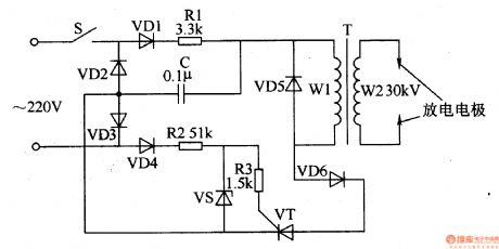
The electric spark timer introduced in the illustration can not only test the gravity acceleration, but also be used to illustrate the breakdown conducting experiment of the air in the high pressure or the combustible gas lighting experiment. The working principleThe electric spark timer circuit consists of the power supply switch S, diode VDl-VD6, the regulated diode VS, thyristor VT, resistor Rl-R3, capacitor C, booster transformer T and discharging pole, see as figure 8-55.
When the power supply switch S is getting through and it is in the forward half-cycle, the current runs through VD1, R1, C and VD3, and becomes a circuit, C is starting to charge.
Reprinted Url Of This Article:
http://www.seekic.com/circuit_diagram/Signal_Processing/The_electric_spark_timer.html
Print this Page | Comments | Reading(3)
Code: