Published:2011/6/16 6:29:00 Author:qqtang | Keyword: frequency doubler, harmonic waves | From:SeekIC

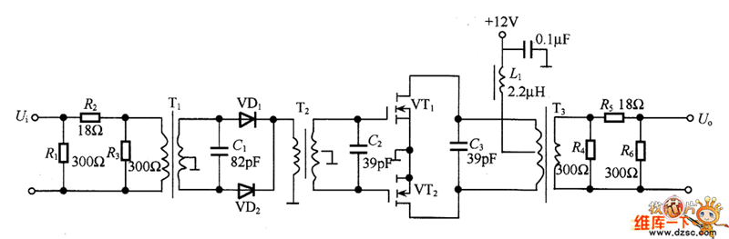
In the figure is the frequency doubler circuit of high but few harmonic waves. When the high frequency signal can'T be got from the crystal circuit directly, this circuit can be fixed in the oscillating circuit and high frequency signals can be got. As there is a modulation circuit, the frequency band turns narrow, but the high frequency output signals are pure. When the input is -2dBm, an output voltage of 6dBm can be got, the distortion of the high frequency harmonic wave is lower than -6dB.
Reprinted Url Of This Article:
http://www.seekic.com/circuit_diagram/Signal_Processing/The_frequency_doubler_circuit_of_high_but_few_harmonic_waves.html
Print this Page | Comments | Reading(3)
Code: