Published:2011/6/22 6:27:00 Author:qqtang | Keyword: frequency multiplier | From:SeekIC

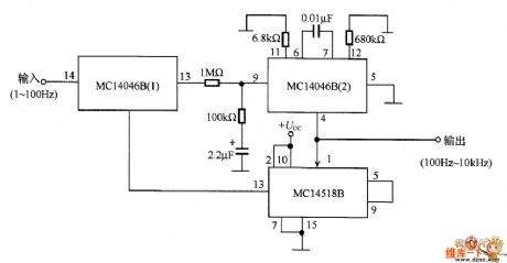
In the figure is the frequency multiplier circuit, the output signal frequency is 100 times of the input one, the frequency range is 1~100Hz. In the circuit, the phaser is MC14046B (1), the voltage control oscillator is MC14046B (2). The voltage control oscillator does the 100 frequency splitting with the 2-bit decimal counter inside it, and the output signal is compared with the input signal which makes the phase synchronize.
This circuit is used to precisely count the low frequency signals which are generated by living organisms in a short time, or used in control pulses of power control acquirement and power supply frequency synchronization.
Reprinted Url Of This Article:
http://www.seekic.com/circuit_diagram/Signal_Processing/The_frequency_multiplier_circuit.html
Print this Page | Comments | Reading(3)
Code: