Published:2011/8/3 23:11:00 Author:qqtang | Keyword: magnetic mixer | From:SeekIC

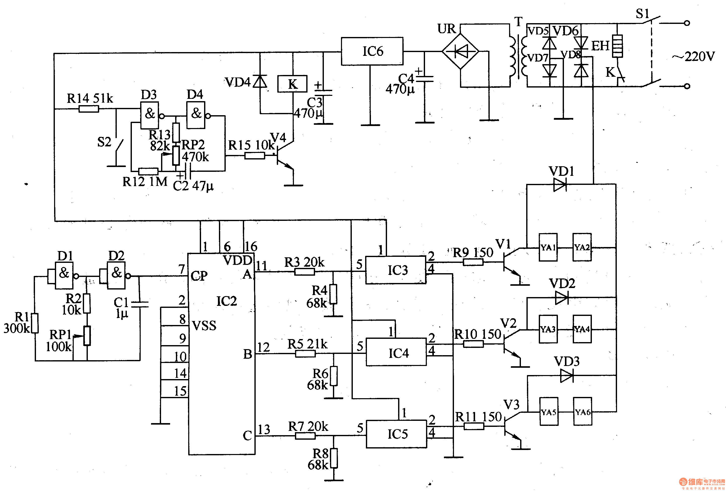
Here is to introduce the heating magnetic mixer which has the functions of timely constant temperature heating and auto mix with magnetic power, it can be used in mining industrial manufacturing and scientific experiments. The working principle of the circuitThe heating magnetic mixer consists of the power supply circuit, heating control circuit, clock oscillating circuit, pulse distribution controller and electromagnetic controller, see as figure 8-138.
The power supply circuit consists of the power supply switch S1, power transformer T, rectifier bridge pile UR, 3-terminal regulated integrated circuit IC6, filter capacitors C3 and C4.
Reprinted Url Of This Article:
http://www.seekic.com/circuit_diagram/Signal_Processing/The_heating_magnetic_mixer_1.html
Print this Page | Comments | Reading(3)
Code: