Published:2011/8/3 22:39:00 Author:qqtang | Keyword: electric igniter | From:SeekIC

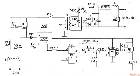
The industrial electric igniter introduced here characterizes the high igniting energy and low producing cost, etc, it can be used in industrial oil oven, or used to light the oil in chemical and petroleum area, or used in starting ignition when the gas is burning.The principle of the circuit The industrial electric igniter circuit consists of the power supply circuit, starting ignition control circuit and booster ignition circuit, see as figure 8-149.
The power supply consists of the switch S1, fuse FU, step-down capacitor C1, releasing resistor R1, rectifier diode VD1, voltage stabilizing diode VS and filter capacitor C2.
Reprinted Url Of This Article:
http://www.seekic.com/circuit_diagram/Signal_Processing/The_industrial_electric_igniter.html
Print this Page | Comments | Reading(3)
Code: