Published:2011/6/16 6:17:00 Author:qqtang | Keyword: oscillating circuit, NOR gate | From:SeekIC

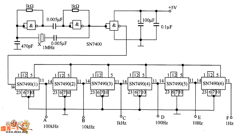
In the figure is the oscillating circuit composed of crystal and NOT gate. In the circuit, X is the 1MHz crystal, and it connects with 10 frequency splitting circuits, which has 6 stages of parallel connections. Therefore, it can pick out signals of different frequencies from different output terminals, i.e A terminal outputs 100KHz frequency, B outputs 10KHz, C outputs 1KHz, D outputs 100 Hz, E outputs 10Hz, F outputs 1Hz and so on.
Reprinted Url Of This Article:
http://www.seekic.com/circuit_diagram/Signal_Processing/The_oscillating_circuit_composed_of_crystal_and_NOR_gate.html
Print this Page | Comments | Reading(3)
Code: