Published:2011/6/23 10:31:00 Author:qqtang | Keyword: oscillator circuit, frequency integrator | From:SeekIC

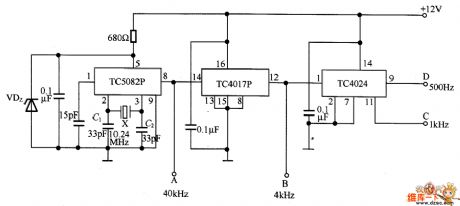
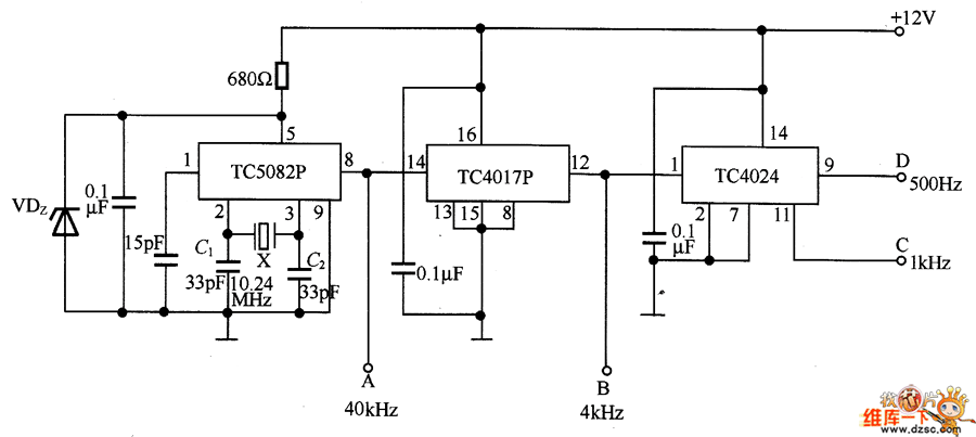
In the figure is the oscillator circuit composed of frequency integrator circuits. In the circuit, X is the 10.24MHz crystal oscillator. TC5082P contains a 12-stage frequency splitter, which is widely used. The former oscillating frequency 10.24MHz is split by TC5082P, the 7-pin outputs 10KHz, 6-pin outputs 5KHz, 4-pin outputs 2.5KHz and 8-pin outputs 40KHz, i.e A terminal outputs 40KHz. After being split by TC10I7P, the 12-pin(B terminal) outputs 4KHz, and then split TC4024, 11-pin (C) outputs 1KHz, 9-pin(D) outputs 500Hz, etc. The oscillating frequency can be trimmed by changing C1 and C2.
Reprinted Url Of This Article:
http://www.seekic.com/circuit_diagram/Signal_Processing/The_oscillator_circuit_composed_of_frequency_integrator_circuits.html
Print this Page | Comments | Reading(3)
Code: