Published:2011/6/26 22:35:00 Author:Borg | Keyword: phase-lock, function oscillator | From:SeekIC

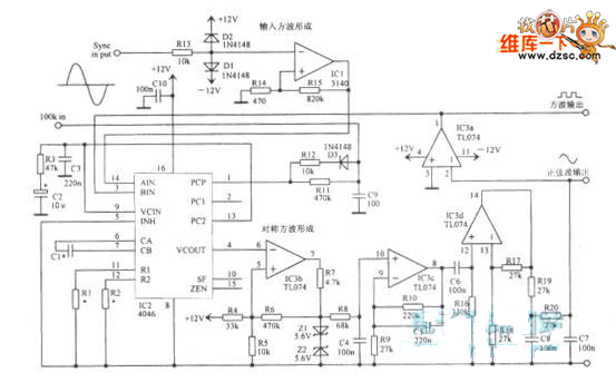
The phase-lock function oscillator circuit is shown in the figure.
Reprinted Url Of This Article:
http://www.seekic.com/circuit_diagram/Signal_Processing/The_phase_lock_function_oscillator_circuit.html
Print this Page | Comments | Reading(3)
Code: