Published:2011/6/22 3:11:00 Author:Borg | Keyword: remote control, emitteing component | From:SeekIC

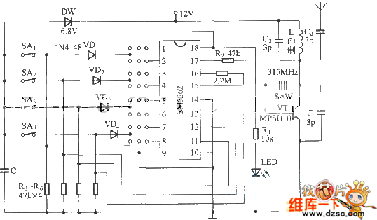
Figure: The remote control emitting component CS900 circuit
Reprinted Url Of This Article:
http://www.seekic.com/circuit_diagram/Signal_Processing/The_remote_control_emitting_component_CS900_circuit.html
Print this Page | Comments | Reading(3)
Code: