Published:2011/7/1 21:30:00 Author:Borg | Keyword: rolling code, wireless emitting circuit | From:SeekIC

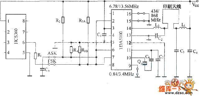
Figure:The rolling code encoding wireless emitting circuit(HSC360/TDA5100)TDA5100 is a ultra-high frequency wireless emitting circuit produced by Seimens, whose internal structure is complex, function is full, sensibility is high, output signal amplitude is high, external elements are few and price is low, it is a excellent emitting circuit.
Reprinted Url Of This Article:
http://www.seekic.com/circuit_diagram/Signal_Processing/The_rolling_code_encoding_wireless_emitting_circuitHSC360_TDA5100.html
Print this Page | Comments | Reading(3)
Code: