Published:2011/6/20 21:17:00 Author:Seven | Keyword: soft-starting, control signal | From:SeekIC

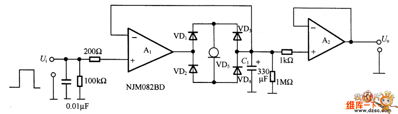
See as the figure, this is a soft-starting control signal generating circuit, it is used in the output voltage soft-starting of the power supply circuit , the signal source is controlled by the control signal or the motor with little mechanical shock. The output current of constant current diode VD5 charges CI and gets a linear rising/dropping waveform. A1 and A2 are the FET input computing amplifier NJM082BD whose bias current is low. The circuit linear rising signal is compared with the triangular wave by the comparator, then the wide pulse modulation PWM signal is generated.
Reprinted Url Of This Article:
http://www.seekic.com/circuit_diagram/Signal_Processing/The_soft_starting_control_signal_generating_circuit.html
Print this Page | Comments | Reading(3)
Code: