Published:2011/7/21 22:30:00 Author:qqtang | Keyword: detector, thickness | From:SeekIC

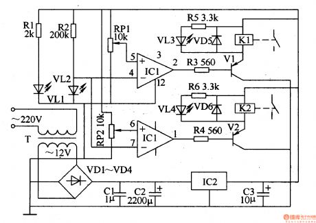
The working principle of the circuitThe thickness of the paper detector circuit consists of the power supply circuit, infrared detection circuit and control executing circuit, see as figure 8-143.
The power supply circuit consists of the power supply transformer T, rectifier diode VD1-VD4, filter capacitor C1-C3 and 3-terminal regulator IC2 and so on.The AC 220V current is stepped down by T, rectified by VD1-VD4, stabilized by IC2 and filtered by C1-C3, then it becomes a 12V DC voltage and it is provided for the infrared detection circuit and control executing circuit.
Reprinted Url Of This Article:
http://www.seekic.com/circuit_diagram/Signal_Processing/The_thickness_of_the_paper_detector.html
Print this Page | Comments | Reading(3)
Code: