Published:2011/8/3 22:55:00 Author:qqtang | Keyword: welder, power regulator | From:SeekIC

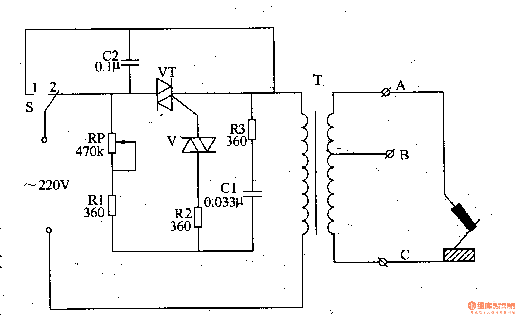
The welder power adjuster in the example can adjust the output voltage and current by changing the thyristor conducting angle, it can be used in the restructuring of common welders.
The working principle of the circuitThe welder power regulator circuit consists of the control switch S, thyristor VT, dual-way trigger diode VRP, resistor R1-R3 and capacitors of C1 and V2, see as figure 8-16.
Pull the control switch S to the position of 1 , the welder will be in the non-controlled state, the output power of the welder is under the control of the power regulator circuit, at the moment, the welder is working in full voltage and the output current is the maximum.
Reprinted Url Of This Article:
http://www.seekic.com/circuit_diagram/Signal_Processing/The_welder_power_regulator.html
Print this Page | Comments | Reading(3)
Code: