Published:2011/7/7 9:49:00 Author:Felicity | Keyword: Time Relay, the 1st | From:SeekIC

Work of the circuit
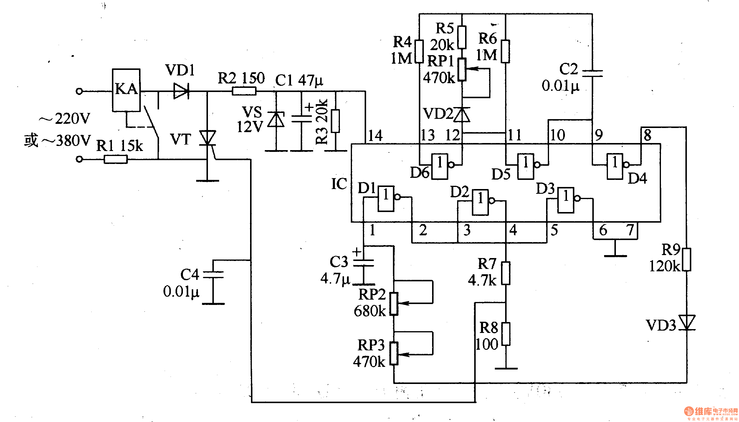
The circuit consists of +12V power circuit, oscillating circuit, delayed trigging circuit and electronic switch circuit. (It is showed in the picture 8-135.)
+12V power circuit consists of resistors Rl-R3, KA relay coil, diode VDl, voltage regulator diode VS and filter capacitor Cl.
Oscillating circuit consists of NAND gate IC IC (Dl-D6) within the non-gate D5, D6 and capacitor C2, resistors R4-R6, potentiometer RPl, diode VD2.
Delayed trigging circuit consists of lC internal NAND gate Dl, D2, D4, resistor Rg, potentiometer RP2, RP3, capacitor C3 and diode VD3.
Electronic switch circuit consists of relay KA, thyristor VT, resistors R7, R8 and capacitor C4.
Reprinted Url Of This Article:
http://www.seekic.com/circuit_diagram/Signal_Processing/Time_Relay_the_1st.html
Print this Page | Comments | Reading(3)
Code: