Published:2011/7/5 2:28:00 Author:Felicity | Keyword: Time Relay (the 2nd) | From:SeekIC

Work of the circuit
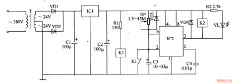
The circuit consists of +12V power circuit, monostable circuit and relay control circuits. (It is showed in the picture 8-136.)
Power circuit consists of power transformer T, rectifier diode VDl, VD2, three-terminal voltage regulator integrated circuit ICl and filter capacitor Cl, C2.
Monostable circuit consists of potentiometer RP, diodes VD3, capacitors C3, C4, time-base integrated circuit IC2 and the normally closed contact relay Kl.
Relay control circuits consists of resistors Rl, R2, relay Kl, K2, diodes VD4 and LED VL.
Reprinted Url Of This Article:
http://www.seekic.com/circuit_diagram/Signal_Processing/Time_Relay_the_2nd.html
Print this Page | Comments | Reading(3)
Code: