Published:2009/7/21 22:30:00 Author:Jessie | From:SeekIC

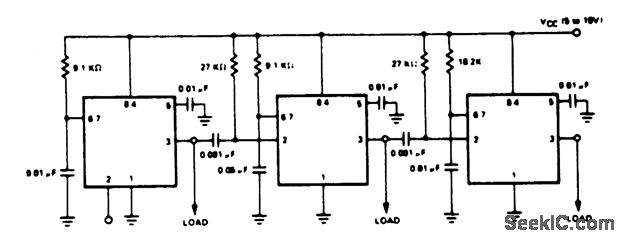
Time sequencer using ECG955M timer/oscillator chips. The first timer is started by momentarily connecting pin 2 to ground. It runs for 10 ms, then triggers the second timer. The second one runs for 50 ms, at which time it triggers the third. Note that the timing resistors and capacitors can be programmed and that each circuit could trigger several other timers (courtesy GTE Sylvania Incorporated).
Reprinted Url Of This Article:
http://www.seekic.com/circuit_diagram/Signal_Processing/Time_sequencer_using_ECG955M_timer_oscillator_chips.html
Print this Page | Comments | Reading(3)
Code: