Published:2011/7/7 9:43:00 Author:Felicity | Keyword: Treatment for Osteoarthritis, the 1st | From:SeekIC

Work of the circuit
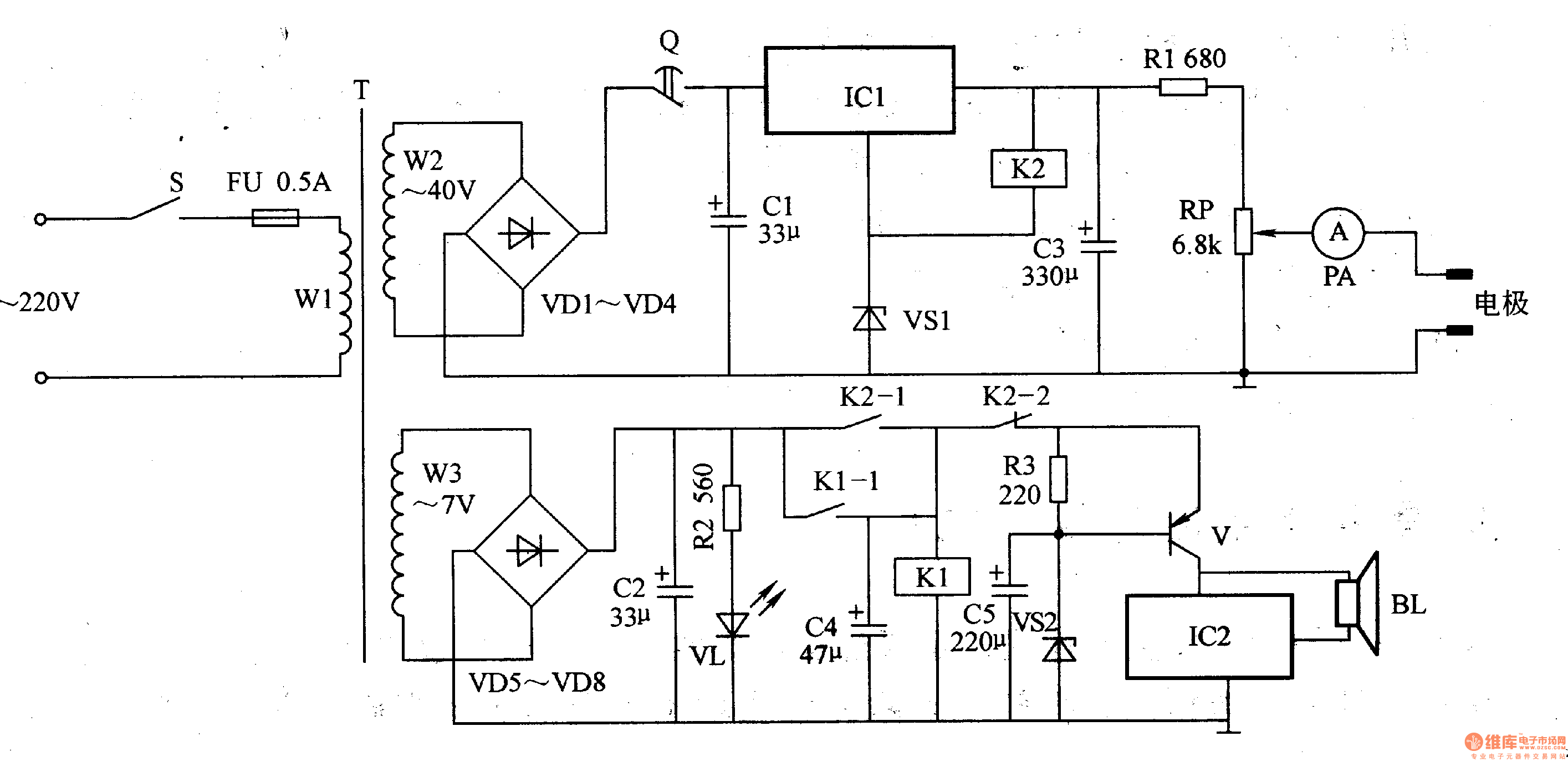
The circuit consists of power supply circuit, timing circuit, current regulation circuit, control circuit and music alarm circuit. (It is showed in the picture 9-22.)
Power supply circuit consists of power switch s, the power transformer T, rectifier diode VDl-VD8, filter capacitor Cl, an integrated three-terminal regulator ICl and voltage regulator diode VS1.
Timing circuit consists of mechanical timer Q.
Current regulation circuit consists of relay K1 and K2.
Control circuit consists of Potentiometer RP and ammeter PA.
Music alarm circuit consists of Music integrated circuit IC2, the transistor V, and the speaker BL.
Reprinted Url Of This Article:
http://www.seekic.com/circuit_diagram/Signal_Processing/Treatment_for_Osteoarthritis_the_1st.html
Print this Page | Comments | Reading(3)
Code: