Published:2009/7/23 22:44:00 Author:Jessie | From:SeekIC

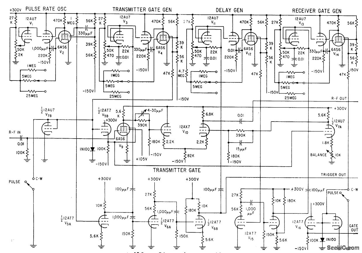
Pulse-rate oscillator V1 generates pulses with variable lime interval from 0.3 to 170 millisec for triggering rate. Normal operation is at 80 millisec, corresponding to 12.5 cps. Trigger pulses are amplified and delivered to circuits that trigger transmitter and delay generators for two receivers, and synchronize cm sweep. Used to measure changes in propagation time of less than 20 microsec over direct path of up to 300 feet in sea water.-W. C. Gore, Ultrasonics Tests Undersea Propagation, Electronics, 31:35, p 32-35.
Reprinted Url Of This Article:
http://www.seekic.com/circuit_diagram/Signal_Processing/UNDERSEA_PROPAGATION_GATE_GENERATORS.html
Print this Page | Comments | Reading(3)
Code: