Published:2009/7/16 21:01:00 Author:Jessie | From:SeekIC

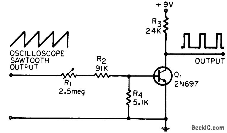
Gives wide range of control over pulse width and pulse repetition rate, while maintaining synchronization with oscillosope. Can be con strutted with banana plugs for sawtooth output jacks of scope.-R. G. Rakes, Simple Variable Width, PRR Pulse Generator, EEE, 13:11, p 45-46.
Reprinted Url Of This Article:
http://www.seekic.com/circuit_diagram/Signal_Processing/VARIABLE_WIDTH_AND_VARIABLE_PRR.html
Print this Page | Comments | Reading(3)
Code: