Published:2009/7/16 0:48:00 Author:Jessie | From:SeekIC


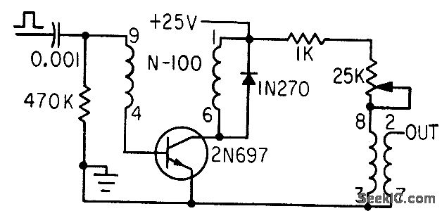
Rheo-stat in series with pulse transformer primary winding controls bitts current to adjust output pulse width over range of 0.06 to 5 microsec. Rise time is less thon 40 nsec.-Blocking Oscillator Has Variable Width Output, Electronics, 36:11, p 156.
Reprinted Url Of This Article:
http://www.seekic.com/circuit_diagram/Signal_Processing/VARIABLE_WIDTH_PULSE_GENERATOR.html
Print this Page | Comments | Reading(3)
Code: