Published:2009/7/24 2:39:00 Author:Jessie | From:SeekIC

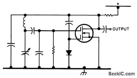
This is a possible simple AGC system for use with a Vackar oscillator, which should be an improvement over a diode connected directly between gate and source. D1 can be any good-quality RF silicon diode.
Reprinted Url Of This Article:
http://www.seekic.com/circuit_diagram/Signal_Processing/VFO_AGC_CIRCUIT.html
Print this Page | Comments | Reading(3)
Code: