Published:2009/6/24 2:54:00 Author:May | From:SeekIC

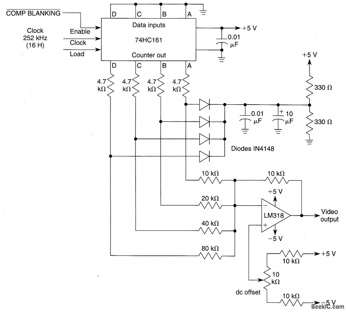
Using a 74HC161 counter and a simple D-A converter using an op amp and resistor network, a very simple video staircase generator for gray-scale generation (12 bars) can be obtained. The out-put is clean and mostly free of glitches.
Reprinted Url Of This Article:
http://www.seekic.com/circuit_diagram/Signal_Processing/VIDEO_STAIRCASE_GENERATOR.html
Print this Page | Comments | Reading(3)
Code: