Published:2009/6/17 1:42:00 Author:May | From:SeekIC

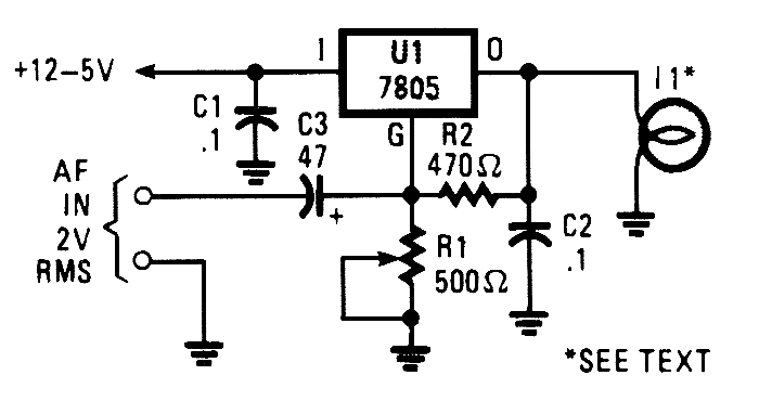
In the visible-light transmitter, a 7805 volt-age regulator is connected in a variable-voltage configuration, and an audio signal is fed to the common input, to modulate the output voltage.The modulated output voltage is used to transmit intelligence via an incandescent larnp.
Reprinted Url Of This Article:
http://www.seekic.com/circuit_diagram/Signal_Processing/VISIBLE_LIGHT_AUDIO_TRANSMITTER.html
Print this Page | Comments | Reading(3)
Code: