Published:2009/7/17 2:40:00 Author:Jessie | From:SeekIC

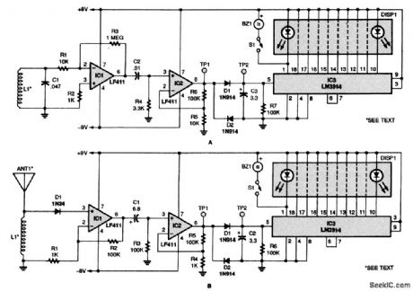
It is known that cloud-to-ground lightning strikes produce far more VLF emissions than cloud-to-cloud strikes. By monitoring both VLF and HE, lightning can be analyzed for such things as strikes per flash, leader steps, amplitude or relative range, and the ratio of cloud-to-ground to cloud-to-cloud discharge. This pair of simple receivers separately monitor both VLF and HE. Note that they are both extremely similar, except for their respective antenna coils. The VLF-antenna coil, L1 in Fig. A, is made of 94 turns of #33 magnet wire wound on an 11-inch-diameter cardboard disk. The HE-antenna coil, L1 in Fig. B, is a common RF choke, or about 100 turns of very fine magnet wire on a X-inch-long ferrite core (any similar junkbox choke should do). Antenna ANTI is a 6-inch wire an-tenna. The first LF411 FET op amps (IC1 in both circuits) are preamps. The second LF411s (IC2 in both) add more gain. Test point 1 in either circuit can be used to connect high-impedance head-phones or an oscilloscope. Test point 2 in either circuit is for a connection to chart recorders or event counters. The outputs of both circuits go to LM3914 bar-graph display drivers (IC3 in both circuits), which power both LED bar graphs (DISP1 in both) and low-voltage piezo buzzers (BZ1, again in both receivers). The negative leads of the buzzers, while shown connected to pin 1, can be connected to any of the bar-graph outputs. Both circuits are powered by split supplies.
Reprinted Url Of This Article:
http://www.seekic.com/circuit_diagram/Signal_Processing/VLF_HF_LIGHTNING_DETECTOR_RECEIVER.html
Print this Page | Comments | Reading(3)
Code: