Published:2009/7/24 3:06:00 Author:Jessie | From:SeekIC

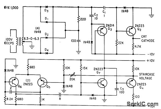
Generates blanking signal at collector of Q2 and staircase waveform at emitter of Q4 by charge transfer from C2 to C3.-C. J. Candy, Simplified Curve Tracer for Transistors and Diodes, Electronics, 33:34, p 68-70.
Reprinted Url Of This Article:
http://www.seekic.com/circuit_diagram/Signal_Processing/WAVEFORM_GENERATOR_FOR_CURVE_TRACER.html
Print this Page | Comments | Reading(3)
Code: