Published:2011/6/3 21:49:00 Author:Felicity | Keyword: Ward Caller, | From:SeekIC

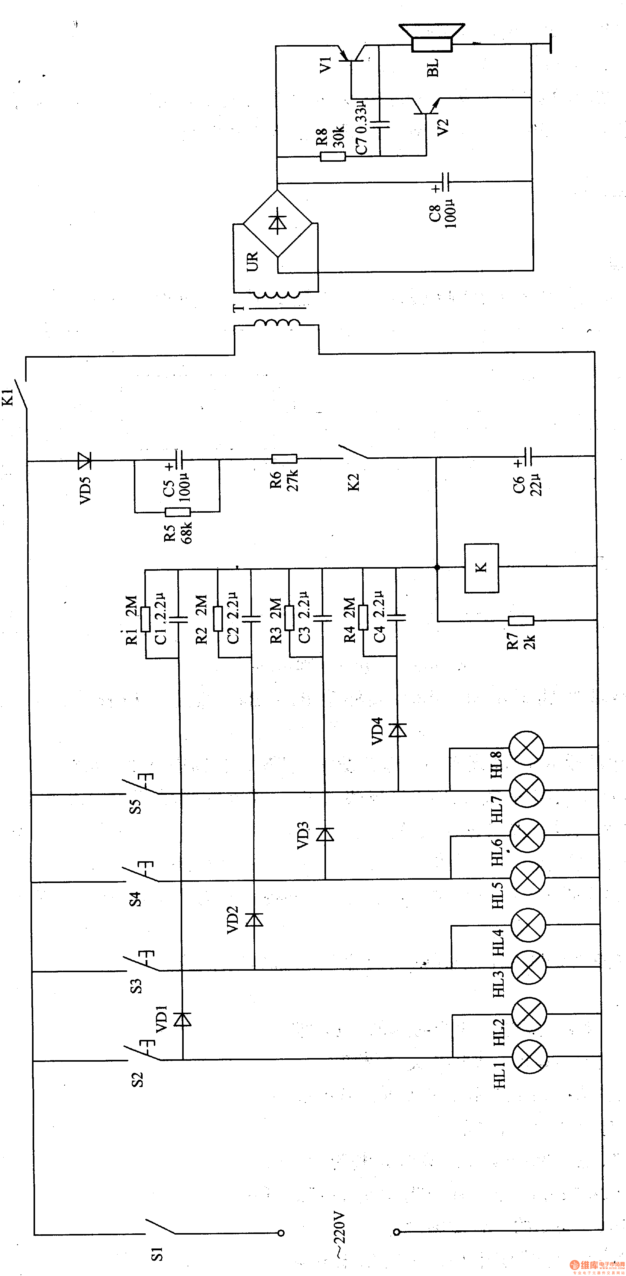
When S1 is switched on, the whole appliance is under standby state. And when one of the call buttons 52-55 is pressed, the indicator in the branch is on, and the capacitor is charging, then K turns on and closes, the normally open contact of K switched on, and C5 is charging to keep K closes. The audio oscillator consists of V1, V2, R8 and C7 works to drive BL to send out calling sound. As the charging current of C5 decreases, the voltage of C5 drops too. When the voltage of C6 drops to a certain value, K releases and the audio circuit stops working.
Reprinted Url Of This Article:
http://www.seekic.com/circuit_diagram/Signal_Processing/Ward_Caller_Seven.html
Print this Page | Comments | Reading(3)
Code: