Published:2011/5/14 7:07:00 Author:Felicity | Keyword: Ward Caller, | From:SeekIC

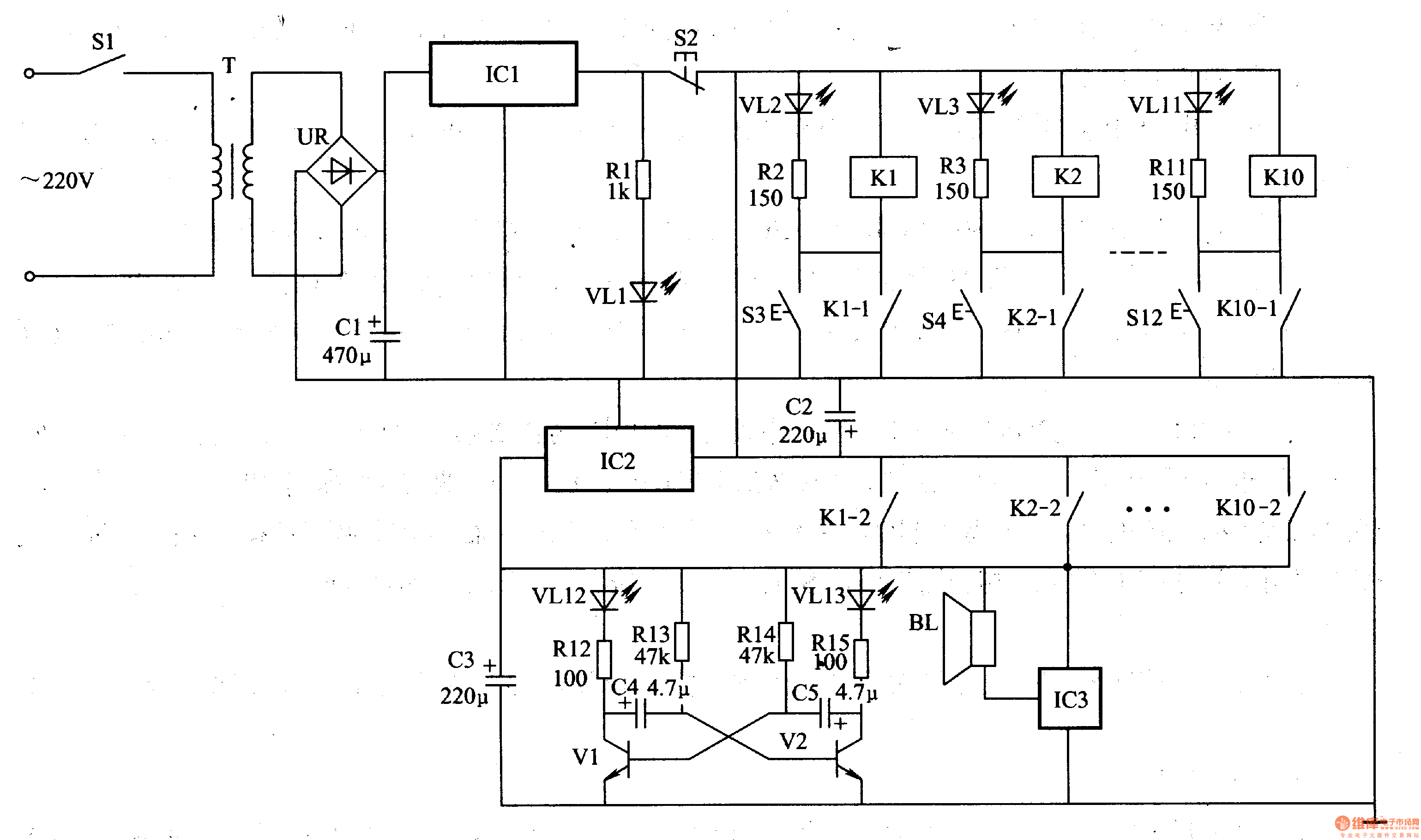
When the control buttons S3-S12 are not pressed, K1-K10 are both in the release state, Vl2-VL13 are off, BL is noiseless.
When one of the control buttons is pressed, the relay in this branch closes and is self-locked, and the LED shows the bed number. At the same time, the other group normally open contact closes to make the acoustic and optical alarm circuit work. VL12 and VL13 shines and BL sends a music alarm to remind the medical personnel to deal with it in time.
In practice, the number of relays, buttons, LEDs or current-limiting resistors can be adjusted according to the actual demand.
Reprinted Url Of This Article:
http://www.seekic.com/circuit_diagram/Signal_Processing/Ward_Caller_Three.html
Print this Page | Comments | Reading(3)
Code: