© 2008-2012 SeekIC.com Corp.All Rights Reserved.
Published:2011/4/28 18:49:00 Author:Christina | Keyword: application experiment, current feedback btl, circuit-design | From:SeekIC


If the current becomes DC current and changes into the current feedback, the frequency response will become broad, and the bass power significantly enhanced, the ability of frequency resolution and alto texture will increase. If we compare this amplifier with the New Texas 6800 pure class A amplifier, use the Huiwei swan m1.2 speaker, in a 15 square meters room, this amplifier is very close to New Texas 6800 pure class A amplifier.
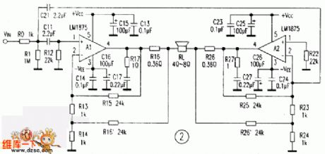
DC current negative feedback btl circuit is as shown in figure 2, abolishes the standard btl circuit's c12, c22, resistors r16 and r26 is the sample resistance, current feedback signal gets into the amplifier a1, a2 of the inverting input port through the r15、r16、r25、r26, and the resistances of r13、r14、r15、r16 determine the value of the amplifier gain.
Experiment with the circuit in Figure 2, anyway you turn off the power and input signal, DC output port has no DC current, and has no static output noise, the speaker just sends out the sound of pa when you opening it. So this experiment shows that this circuit is very stable, if you plug the input terminal when increasing the volume orin the static state, this circuit will not beself-excited.
Reprinted Url Of This Article:
http://www.seekic.com/circuit_diagram/Signal_Processing/lm1875_application_experiment_and_current_feedback_btl_circuit_design_circuit.html
Print this Page | Comments | Reading(3)
Response in 12 hours
© 2008-2012 SeekIC.com Corp.All Rights Reserved.
Code: