© 2008-2012 SeekIC.com Corp.All Rights Reserved.
Published:2011/6/18 22:38:00 Author:Nancy | Keyword: local oscillator, 465KHz, difference frequency | From:SeekIC

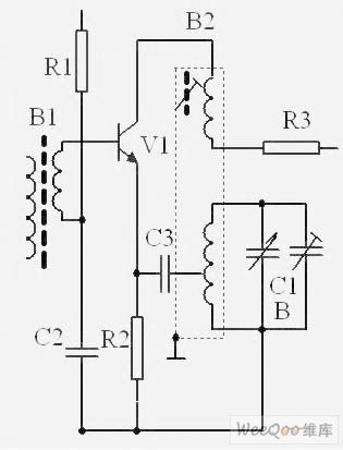
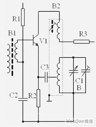
V1 is a frequency converter tube with oscillation and frequency mixing functions. The local oscillator circuit forms a transfomer feedback oscillator composed by oscillation transformer B2 and adjustable capacitor C1b, the oscillator frequency is mainly decided by L4 and C1b, the local oscillator signal is connected to V1 base-emitter though C2 and C3, the self-excited oscillation signal is coupled to oscillation loop by feedback coil and then sent back to V1 base-emitter though C3 and C2, it is amplified circularly and forms oscilltion. The input tuning signal and local oscillation signal are added to the triode simultaneously, then the sum frequency, multiplication frequency and differential frequency of two frequencies will be produced at the emitter of the triode using the non-linear characteristic of the triode.
Reprinted Url Of This Article:
http://www.seekic.com/circuit_diagram/Signal_Processing/local_oscillator_circuit_with_465KHz_difference_frequency.html
Print this Page | Comments | Reading(3)
Response in 12 hours
© 2008-2012 SeekIC.com Corp.All Rights Reserved.
Code: