Published:2014/5/5 20:57:00 Author:lynne | Keyword: sine-wave generator, MF10, NE555, 4518, TL081 | From:SeekIC

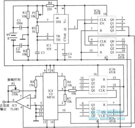
sine-wave generator circuit as shown:
Reprinted Url Of This Article:
http://www.seekic.com/circuit_diagram/Signal_Processing/sine_wave_generators.html
Print this Page | Comments | Reading(3)
Code: