Published:2009/7/9 3:51:00 Author:May | From:SeekIC

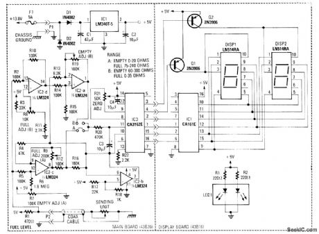
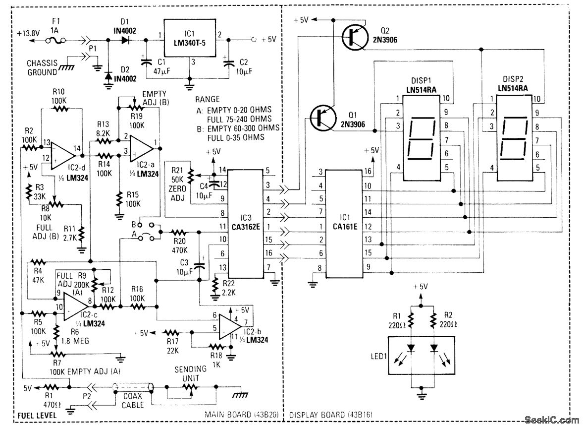
This circuit uses a digital voltmeter (formed from IC1 and IC3) to display fuel quantity as a percentage of a full tank. In order to work with two kinds of fuel sensors, low resistance = full. Where higher resistance full, IC2 forms a dc amplifier that has both inverting (path A) or noninverting (path B) outputs, and calibration adjustments for each path.
Reprinted Url Of This Article:
http://www.seekic.com/circuit_diagram/basic_circuit/digital_fuel_gauge.html
Print this Page | Comments | Reading(3)
Code: