Published:2011/5/11 2:49:00 Author:Ecco | Keyword: Digital , voltmeter | From:SeekIC

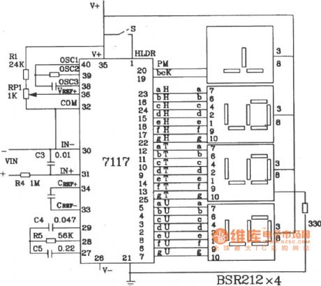
Digital voltmeter circuit diagram composed of ICL7117 3 1 / 2 double integral A / D converter is shown as the chart.
Reprinted Url Of This Article:
http://www.seekic.com/circuit_diagram/basic_circuit/digital_voltmeter_circuit_diagram_composed_of_icl7117.html
Print this Page | Comments | Reading(3)
Code: