Published:2011/5/6 3:25:00 Author:Ecco | Keyword: clock circuit, racing | From:SeekIC

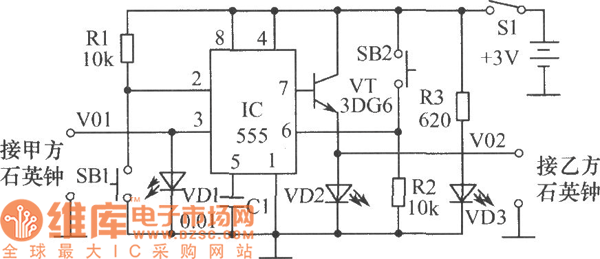
The chart shows the clock for the competition, which is assembled with 555 circuit, with the features of novel circuit, reliable performance, easy making, intuitive interesting. 555 circuit has two categories of bipolar circuit (TTL) and complementary metal oxide semiconductor-type (CMOS) integrated circuit. It is a very broad application IC with only a small amount of external components, it is very easy to form a single stable, bistable, non-stable circuit. The selection of components: IC uses bipolar CD555 time base circuit. VT selects 3DG6 transistor. VD1 ~ VD3 chooses Φ5mm. The clock uses analog quartz.
Reprinted Url Of This Article:
http://www.seekic.com/circuit_diagram/basic_circuit/the_clock_circuit_diagram_for_racing.html
Print this Page | Comments | Reading(3)
Code: