Position: Home > Circuit Diagram > Basic Circuit > The PC Serial Port Receiver circuit

Basic Circuit

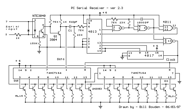
The PC Serial Port Receiver circuit

Published:2013/3/10 23:08:00 Author:Ecco | Keyword: PC Serial Port , Receiver | From:SeekIC

Print this Page | Comments | Reading(3)

To evaluate my
Code: