Published:2009/7/14 7:21:00 Author:May | From:SeekIC

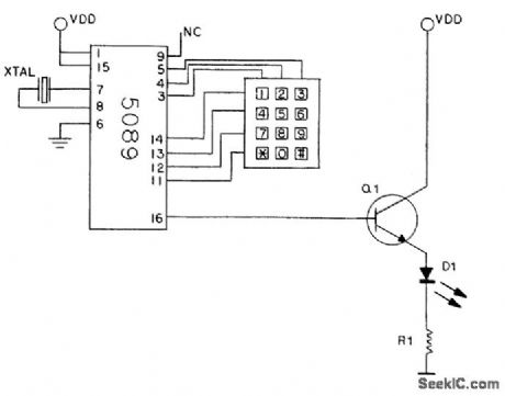
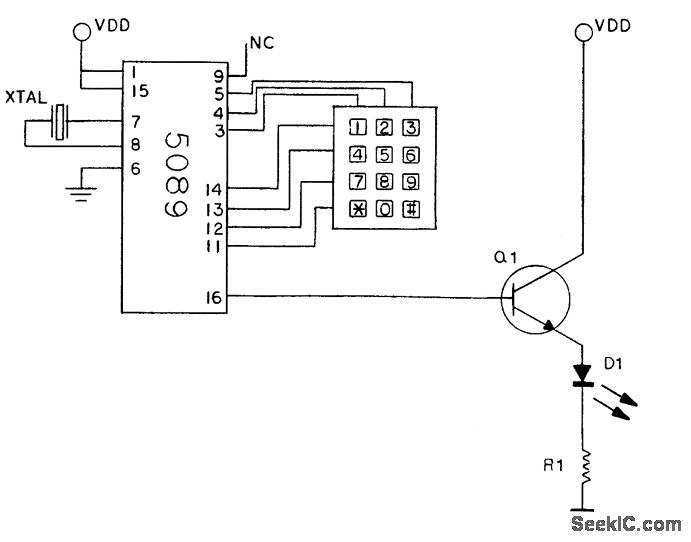
This transmitter uses a 5089 DTMF generator chip and a keypad to generate DTMF signals and modulate them on an IR light beam from an IR LED. Xtal is a 3.579-MHz TV burst crystal.
Reprinted Url Of This Article:
http://www.seekic.com/circuit_diagram/communication_circuit/dtmf_infrared_transmitter.html
Print this Page | Comments | Reading(3)
Code: