Published:2011/6/13 7:11:00 Author:Christina | Keyword: 27MHz, crystal oscillator | From:SeekIC

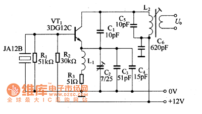
The 27MHz crystal oscillator circuit is as shown in the figure. The R1, R2, R3 are the biasing resistor, the C6 is the bypass capacitor, the voltage division circuit is composed of the C1, C3, C4 and C2 to control the oscillation strength. The L1 is the high-frequency choking coil which has the filtering effect.
The quartz crystal is in the parallel resonant state, the oscillation frequency of the oscillator depends on the natural frequency of quartz crystal. The L2 and C5 decide the oscillation strength.
Figure 15 The 27MHz crystal oscillator circuit
Reprinted Url Of This Article:
http://www.seekic.com/circuit_diagram/control_circuit/27mhz_crystal_oscillator_circuit.html
Print this Page | Comments | Reading(3)
Code: