Published:2011/6/16 4:59:00 Author:Lucas | Keyword: Automatic , sprinkler controller | From:SeekIC

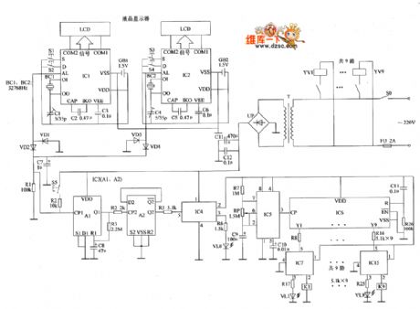
The automatic sprinkler controller circuit is composed of the clock timing controller, monostable flip-flop, bistable flip flop, electronic switch, self-excited multivibrator, counter, solenoid valve control circuit and power supply circuit, and the circuit is shown as the Figure. Power supply circuit is composed of the fuse FU, power switch SO, power transformer T, bridge rectifier UR and filter capacitors C11, C12. Self-excited multivibrator is composed of the time-base IC ICS and the external components, and it is used to generate the count pulse. R1 ~ R26 choose l/4W or 1/8W carbon film resistors.
Reprinted Url Of This Article:
http://www.seekic.com/circuit_diagram/control_circuit/automatic_sprinkler_controller_circuit_diagram_1.html
Print this Page | Comments | Reading(3)
Code: