Published:2011/5/8 19:19:00 Author:Christina | Keyword: Digital frequency meter, course design | From:SeekIC

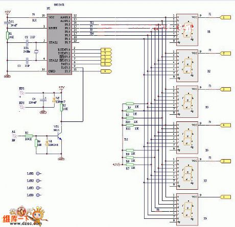
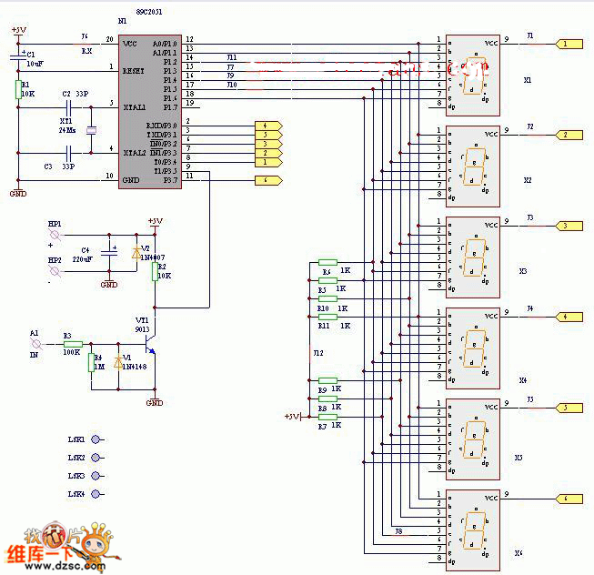
Figure. The digital frequency meter course design circuit
Reprinted Url Of This Article:
http://www.seekic.com/circuit_diagram/control_circuit/digital_frequency_meter_course_design_circuit.html
Print this Page | Comments | Reading(3)
Code: