Published:2009/7/12 22:56:00 Author:May | From:SeekIC

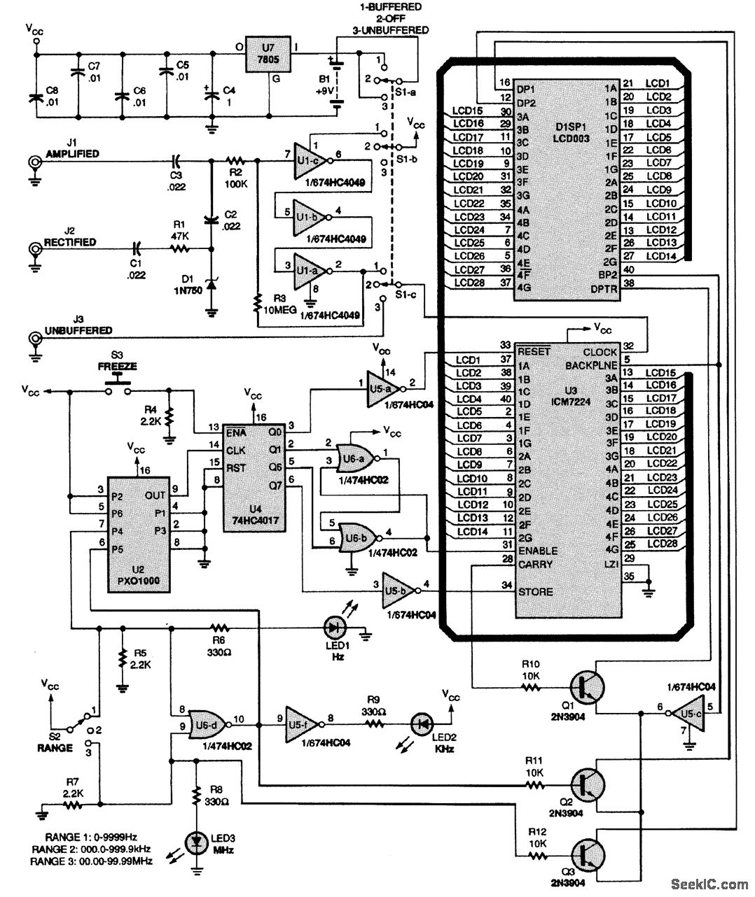
An Intersil ICM7224 is used to drive an LCD003 four-digit LCD display unit. Three inputs are provided, which add signal conditioning, either gain, rectification, or unbuffered input. A Statek PXO-1000 1-MHz clock is used as a frequency reference. S2 selects gate time and hence range, with LED1, LED2, and LED3, indicating Hz, kHz, or MHz, respectively.
Reprinted Url Of This Article:
http://www.seekic.com/circuit_diagram/control_circuit/simple_25_mhz_counter.html
Print this Page | Comments | Reading(3)
Code: