Published:2011/7/10 23:50:00 Author:Felicity | Keyword: Auto Flash, Alarm | From:SeekIC

Work of the circuit
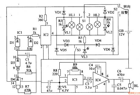
The circuit consists of low-frequency oscillator, the electronic switch circuit, control circuit, photoelectric display circuit and music alarm circuit. (It is showed in picture 7-113.)
Low-frequency oscillator consists of IC lCl (Dl-D4) internal NAND gate circuit D3, D4 and external RC components.
Control circuit consists of ICl internal non-gate Dl and D2. It is used to control high-power electronic switch IC lC2.
Photoelectric display circuit consists of diode VDl-VD6, LED VLl-VL3 (installed in the steering switch) and the resistors R3-R5.
Music alarm circuit consists of music integrated circuit IC3, audio amplifier integrated circuit IC4, speaker BL and related peripheral components.
Reprinted Url Of This Article:
http://www.seekic.com/circuit_diagram/control_circuit/staircase_control/auto_flash_alarm.html
Print this Page | Comments | Reading(3)
Code: